“微信扫一扫”进入"可可试卷"微信小程序刷题
第241题
关于工作分解结构的描述,不正确的是( )。
A.工作分解结构必须且只能包括100%的工作
B.工作分解结构是逐层向下分解的
C.工作分解结构中不包括分包出去的工作
D.工作分解结构中的各要素应该是相对独立的
参考答案:C
解析:
考查工作分解结构相关知识。
分解过程还应该注意以下内容:
(1)WBS的底层应该支持计划和控制。
(2)WBS应包括项目管理工作,也要包括分包出去的工作;
(3)WBS的编制需要所有(主要)项目干系人的参与,需要项目团队成员的参与;
(4)WBS并非是一成不变的,在完成了WBS之后的工作中,仍然有可能需要对WBS进行修改;
(5)近期的工作分解细致,远期的比较粗略(滚动式规划)。
题干问“不正确的是”,故选择C选项。
第242题
关于确认范围的描述,不正确的是( )。
A.确认范围过程应贯穿项目始终
B.确认范围过程关注可交付成果的正确性及是否满足质量要求
C.确认范围过程应该以书面文件的形式记录下来
D.确认范围过程的目标是提高最终产品、服务或成果获得验收的可能性
参考答案:B
解析:
考查确认范围的相关知识。
A正确,确认范围过程应贯穿项目始终,从WBS的确认或合同中具体分工界面的确认,到项目验收时范围的检验。
B错误,范围确认主要关注的是可交付成果的验收。
C正确,确认范围过程应该以书面文件的形式把它完成情况记录下来。
D正确,确认范围需要审查可交付物和工作成果,以保证项目中所有工作都能准确的、满意地完成。
【思路点拨】确认范围过程与控制质量过程的不同之处在于,前者关注可交付成果的验收,而后者关注可交付成果的正确性及是否满足质量要求。控制质量过程通常先于确定范围过程,但二者也可同时进行。
第243题
当范围变更导致成本基线发生变化时,项目经理需要做的工作不包括:()。
A.重新确定新的需求基线
B.发布新的成本基准
C.调整项目管理计划
D.调整项目章程
参考答案:D
解析:
考查范围变更相关知识。
范围变更最后会导致项目管理计划的更新,包括范围管理计划更新、成本管理计划更新。调整项目章程是不是项目经理的工作。
综上所述,选择D选项。
【思路点拨】项目章程决定谁来做项目经理,但是你不能反过来修改它。
第244题
项目组成员小李常驻用户现场开发,经常收到用户提出的新需求。针对有些新需求。针对有些修改工作量很小的需求,小李直接进行了修改,用户对此非常满意,但却遭到项目经理的批评,这是因为( )。
A.小李没有把项目经理放在眼里
B.项目经理认为小李收了用户的好处
C.小李的行为可能造成项目范围蔓延
D.小李所作的工作没有给项目带来经济效益
参考答案:C
解析:
本题考查项目范围控制与项目整体变更管理的联系。
需求变化,有可能引起项目范围蔓延。
故选择C选项。
第245题
关于项目进度管理计划的描述,正确的是:( )。
A.进度管理计划一旦确定,不能被修
B.定项目进度管理计划时,应该考虑项目章程
C.进度管理计划一定要形成正式的文件
D.进度管理计划是详细的,不能是高度概括的
参考答案:B
解析:
本题考查的是项目进度管理计划。
A错误,在项目执行过程中,可能需要更新进度管理计划,以反映在管理进度过程中所发生的变更。
B正确,项目章程是制定进度管理计划的输入。
CD错误,根据项目需要,进度管理计划可以是正式或非正式的,非常详细或高度概括的。
综上,选择B。
【思路点拨】项目进度管理计划是项目管理计划的组成部分,项目进度管理过程及其相关的工具和技术应写入进度管理计划。项目进度管理计划应包括合适的控制临界值,还可以规定如何报告和评估进度紧急情况。
第246题
()不是规划项目进度管理的输入。
A.项目范围说明书
B.WBS和WBS字典
C.活动清单
D.项目章程
参考答案:C
解析:
考查规划项目进度管理的输入。
规划项目进度管理的输入有:项目管理计划,项目章程,组织过程资产,事业环境因素,
其中C选项是定义活动的输出。
第247题
规划项目进度管理是为实施项目进度管理制定政策、程序。并形成文档化的项目进度管理计划的过程,()不属于规划项目进度管理的输入。
A.项目章程
B.范围基准
C.里程碑清单
D.组织文化
参考答案:C
解析:
本题考查的是进度管理计划输入的基础知识。
规划项目进度管理的输入:
1.项目管理计划(范围基准. 其他信息)
2.项目章程
3.组织过程资产
4.事业环境因素
综上所述,选择C选项。
第248题
在制定进度计划时,可以采用多种工具与技术,如,关键路径法,资源平衡技术,资源平滑技术等,在以下叙述中,不正确的是()。
A.项目的关键路径法可能有一条或多条
B.随着项目的开展,关键路径法也可能也随着不断变化
C.资源平衡技术往往会导致关键路径延长
D.资源平滑技术往往会改变项目关键路径,导致项目进度延迟
参考答案:D
解析:
考制定进度计划的工具与技术。
A正确,项目的关键路径法可能有一条或多条。
B正确,随着项目的开展,关键路径法也可能也随着不断变化。
C正确,资源平衡技术往往会导致关键路径延长。
D错误,会改变关键路径的是资源平衡技术。
【思路点拨】资源优化技术是根据资源供需情况,来调整进度模型的技术,包括(但不限于):
资源平衡:为了在资源需求与资源共给质检取得平衡,根据资源制约对开式日期和结束日期进行调整的一种技术。资源平衡往往导致关键路径改变,通常是延长。
资源平滑:对进度模型中的活动进行调整,从而使项目资源需求不超过预定的资源限制的一种技术。相对于资源平衡而言,资源平滑不会改变项目关键路径,完工日期也不会延迟。也就是说,活动只在其自由浮动时间和总浮动时间内延迟。因此,资源平滑技术可能无法实现所有资源的优化。
第249题
关于活动和里程碑的描述,不正确的是( )。
A.活动是实施项目时安排工作的最基本的工作单元
B.一个活动可以属于多个工作包
C.里程碑的持续时间为零
D.里程碑既不消耗资源也不花费成本
参考答案:B
解析:
考查活动和里程碑现相关知识。
A正确,活动是实施项目时安排工作的最基本的工作单元。
B错误,一个活动只能属于一个工作包,一个工作包可以包含多个活动。
CD正确,项目生命周期中的一个时刻,里程碑的持续时间为零,里程碑既不消耗资源也不花费成本,通常是指一个主要可交付成果的完成。
【思路点拨】活动与工作包是1对1或多对1的关系,有可能多个活动完成1个工作包。
第250题
关于箭线图的描述,不正确的是:( )。
A.流入同一节点的活动,均有共同的紧前活动
B.项目活动的紧前事件和紧后事件代号至少有一个不同
C.每个活动和每一个事件都必须有唯一代号
D.虚活动不消耗时间,也不消耗资源,主要用于表达活动之间的关系
参考答案:A
解析:
本题考查的是箭线图法。
在箭线图法中,有如下三个基本原则。
(1)网络图中每一活动和每一事件都必须有唯一的一个代号,即网络图中不会有相同的代号。
(2)任两项活动的紧前事件和紧后事件代号至少有一个不相同,节点代号沿箭线方向越来越大。
(3)流入(流出)同一节点的活动,均有共同的紧后活动(或紧前活动)。
综上,A错误。
【思路点拨】这里一定要记清楚(3),可以画一个箭线图来进行辅助理解。
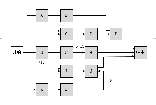
第251题
下图中(单位:天)关于活动H和活动I之间的关系描述正确的是()。
A.活动H开始时,开始活动I
B.活动H完成10天后,开始活动I
C.活动H结束时,开始活动I
D.活动H开始10天后,开始活动I
参考答案:D
解析:
本题考查排列活动顺序的工具与技术。
H和I的关系为S-S型。即前序活动开始后,后续活动才能开始。
其中的前导图法,需要我们了解的关系型还有(F-S)结束-开始关系;(F-F)结束结束关系;(S-S)开始-开始关系;(S-F)开始-结束关系。
【思路点拨】可以用例子来进行辅助记忆。
F-S型:只有比赛(紧前活动)结束,颁奖典礼(紧后活动)才能开始。
F-F型:只有完成文件的编写(紧前活动),才能完成文件的编辑(紧后活动)。
S-S型:开始地基浇灌(紧前活动)之后,才能开始混凝土的找平(紧后活动)。
S-F型:只有第二位保安开始值班(紧前活动),第一位保安人员才能结束值班(紧后活动)。
第252题
某工程由8个活动组成,其各活动情况如下表所示,该工程关键路径为()。
A.ABCEGI
B.ABCFHI
C.ABDHI
D.ABDI
参考答案:B
解析:
本题考查的是进度网络图计算的基础知识。

综上所述,选择B选项。
第253题
下图(单位:周)为某项目实施的单代号网络图,活动E的总浮动时间与自由时间为(44),该项目的最短工期为( 45)。
A.5,0
B.7,5
C.7,7
D.7,0
参考答案:C
解析:
本题考查的是关键路线法。
E的总浮动时间为7周,E的自由浮动时间为29-22=7周,关键路径为ADFGH,总工期为31周。

第254题
关于制定进度计划的工具和技术的描述,不正确的是:()。
A.总浮动的时间等于本活动的最迟完成时间减去本活动的最早完成时间
B.自由浮动时间等于紧后活动的最早开始时间的最小值减去本活动的最早完成时间
C.资源平滑技术通过缩短项目的关键路径来缩短完工时间
D.关键路径上活动的总浮动时间与自由浮动时间都为0
参考答案:C
解析:
考查制定进度计划的工具和技术。
相对于资源平衡而言,资源平滑不会改变项目关键路径,完工日期也不会延迟。
综上,C错误。
【思路点拨】注意区分资源平滑和资源平衡。
资源平衡,为了在资源需求与资源共给之间取得平衡,根据资源制约因素对开始日期和结束日期进行调整的一种技术。资源平衡往往导致关键路径改变,通常是延长。
资源平滑,对进度模型中的活动进行调整,从而使项目资源需求不超过预定的资源限制的一种技术。相对于资源平衡而言,资源平滑不会改变项目关键路径,完工日期也不会延迟。也就是说,活动只在其自由浮动时间和总浮动时间内延迟。因此,资源平滑技术可能无法实现所有资源的优化。
第255题
某项目的网络图如下,活动D 的自由浮动时间为( )天。
A.0
B.1
C.2
D.3
参考答案:B
解析:
本题考查的是制订进度计划的工具与技术。
“自由浮动时间”是指在不延误任何紧后活动的最早开始时间且不违反进度制约因素的前提下,活动可以从最早开始时间推迟或拖延的时间量。其计算方法为:紧后活动最早开始时间的最小值减去本活动的最早完成时间。活动D的自由时差=1。
【思路解析】最能保证作答准确的方法是:可以通过七格图来进行此类题目的作答。
紧后活动最早开始时间的最小值减去本活动的最早完成时间
第256题
In project net work diagram, the number of critical path is( )。
A.none
B.only one
C.only two
D.one or more
参考答案:D
解析:
翻译:在项目网络工作图中,关键路径的数目是(一个或更多)。
A. 没有
B. 只有一个
C. 只有两个
D. 一个或更多
第257题
( )比较剩余缓冲时间与所需缓冲时间,有助于确定进度状态。
A.关键链法
B.挣值管理
C.关键路径法
D.趋势分析
参考答案:A
解析:
考查的是制订进度计划的工具与技术。
关键链法比较剩余缓冲时间与所需缓冲时间,有助于确定进度状态。
考查定义,故选择A选项。
第258题
某项目的网络图如下,活动B的自由浮动时间为(44)天,该项目的关键路径有(45)条。
A.0
B.1
C.2
D.3
参考答案:A
解析:
考查制订进度计划的工具与技术。
该活动有两条关键路径,ABEG和ADFG,B活动在关键路径上,因此自由时差是0。
【思路点拨】此类题目画七格图为最保险的解题过程。
通过画七格图可以清晰的看到各个路径的工期,最长的为关键路径。
七格图:自由浮动时间等于紧后活动的最早开始时间的最小值减去本活动的最早完成时间
A.Schedule variance(SV)
B.Cost variance(CV)
C.Actual cost (AC)
D.Earned value(EV)
参考答案:A
解析:
(进度偏差)是一种计测量进度绩效的指标,表现为挣值与计划值之差。
A. 进度偏差 B. 成本偏差 C. 实际成本 D. 实际价值
第260题
某项目的网络图如下,活动B的自由浮动时间为(44)天,该项目的关键路径有(45)条。
A.4
B.3
C.2
D.1
参考答案:C
解析:
考查制订进度计划的工具与技术。
该活动有两条关键路径,ABEG和ADFG,B活动在关键路径上,因此自由时差是0。
【思路点拨】此类题目画七格图为最保险的解题过程。
通过画七格图可以清晰的看到各个路径的工期,最长的为关键路径。
七格图:自由浮动时间等于紧后活动的最早开始时间的最小值减去本活动的最早完成时间