“微信扫一扫”进入"可可试卷"微信小程序刷题
第641题 如上题图一块区格板中④号钢筋的工程量为()kg。
A.3.242
B.4.053
C.2.027
D.1.621
参考答案:B
解析:
④号钢筋为周边抗裂筋在板上皮,每个尺寸为400+2(100-15)=570(mm)板厚为100mm,直角弯钩按施工要求应立于模板上,∴每肢长度应为板厚减板的钢筋保护层厚15mm。
④号钢筋系在F、G轴方向布置,故其数量为(1.8-0.24)0.2+1×2=17.6≈18(根)
∴④号钢筋的工程量为18×0.57×0.395=4.053(kg)
第642题
一现浇钢筋混凝土柱下杯基础(如图),柱断面400mm×700mm,则该基础的混凝土工程量为()m3。
A.4.242
B.3.542
C.4.278
D.4.351
参考答案:A
解析:
现浇混凝土基础应以体积立方米计。计算该基础体积可看成由最下的六面体,加中间的实心四棱台,加最上的实心六面体,再减去杯口槽体积。
最下六面体:3.2×2.0×0.4=2.56(m3)
中间四棱台:据V=H3S1+S2+S1S2
其中S1=3.2×2.0=6.4(m2)
S2=(0.4×2+0.075×2+0.7)×(0.4×2+0.075×2+0.4)=1.65×1.35=2.228(m2)
∴V=0.23(6.4+2.228+6.4×2.228)=0.23(8.628+3.776)=0.827(m3)
最上六面体:S2×0.5=2.228×0.5=1.114(m3)
杯口槽体积:V槽=0.7/3(0.7×0.4+0.85×0.55+0.28×0.4675)=0.7/3(0.28+0.468+0.362)=0.259(m3)
∴杯基础体积为:2.56+0.827+1.114-0.259=4.242(m3)
第643题
有一钢筋混凝土简支梁,结构如图,则一根②号筋的长度为()mm。
A.3880
B.4020
C.3930
D.4070
参考答案:A
解析:
由结构图可知②号筋的形状为:

各段尺寸计算:
(1)由图已知下弯200mm;
(2)尺寸为墙厚240+60-25=275mm(此处梁的钢筋保护层取25mm);
(3)斜长由直角三角形可得:
sin45°=400-50x∴x=3500707=495(mm)
对于截面高度≤800mm的梁弯起筋弯起角度为45°。
(4)尺寸:3000+240-50-2×275-2×350=1940(mm)
∴一根②号筋的长度为:2×200+2×275+2×495+1940=3880(mm)
第644题
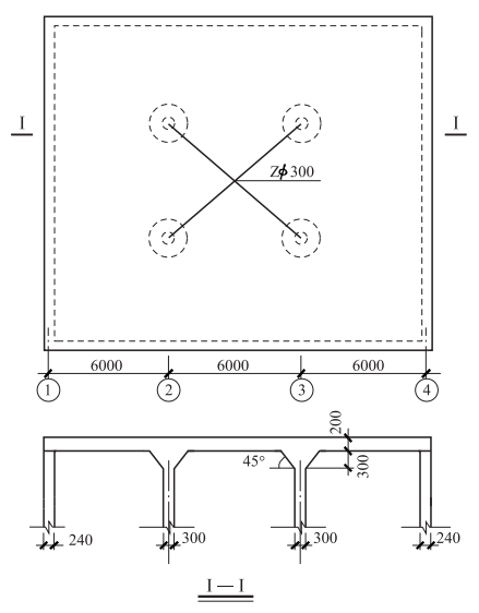
有一无梁楼盖(如图),则一层楼板加柱帽的混凝土工程量为()m3。
A.67.7
B.66.91
C.66.54
D.65.17
参考答案:B
解析:
无梁楼盖楼板混凝土与柱帽合算,以体积立方米计。
(1)柱帽体积:柱帽系一倒截头圆锥V=πh12(D2+d2+D·d)=π·0.312(0.92+0.32+0.3×0.9)=0.3π12(0.81+0.09+0.27)=0.092(m3)
4个柱帽体积为:0.092×4=0.368(m3)
(2)楼板体积(3×6.0+0.24)2×0.2=66.54(m3)
∴一层楼盖与柱帽的混凝土工程量为:66.54+0.368=66.91(m3)
第645题
现浇整体式钢筋混凝土楼梯面平面如图,则一层楼梯混凝土工程量为()m3。
A.9.6
B.10.5
C.10.8
D.11.7
参考答案:B
解析:
现浇混凝土楼梯混凝土工程量按楼梯水平投影面积计,不扣除小于500mm的楼梯井,当整体式楼梯与楼层连接无梯梁时,以楼梯最后一个踏步边缘加300mm计算楼梯间范围。
楼梯间宽:3240-240=3000(mm)
楼梯间长:3720+300-120=3900(mm)
楼梯井宽500mm应属扣除之列,楼梯井面积为500×2400=1.2(m2)
∴一层楼梯混凝土工程量为:3.0×3.9-1.2=10.5(m2)
如加300mm未扣楼梯井得11.7m2
如未加300mm扣楼梯井得9.6m2
如未加300mm未扣楼梯井得10.8m2
第646题 根据《房屋建筑与装饰工程工程量计算规范》GB 50854—2013,下列关于柱帽的工程量计算叙述错误的是()。
A.现浇混凝土无梁板按板和柱帽体积之和计算
B.现浇混凝土无梁板的柱高,应自柱基上表面至柱帽上表面之间的高度计算
C.柱饰面按设计图示饰面外围尺寸以面积计算,柱帽并入相应柱饰面工程量内
D.保温隔热天棚按设计图示尺寸以面积计算,柱帽保温隔热并入天棚保温隔热工程量内
参考答案:B
解析:
根据《房屋建筑与装饰工程工程量计算规范》GB 50854—2013,考生应分清柱帽在不同的情况,计算的方法是不同的。下面是涉及柱帽计算规则的几种情况:当计算现浇混凝土无梁板的柱高时,应自柱基上表面至柱帽下表面之间的高度计算;当计算现浇混凝土无梁板时,应按板和柱帽体积之和计算;在计算保温隔热天棚时,是按设计图示尺寸以面积计算的,且柱帽保温隔热并入天棚保温隔热工程量内;在计算柱饰面时,是按设计图示饰面外围尺寸以面积计算的,且柱帽并入相应柱饰面工程量内。
第647题 根据《房屋建筑与装饰工程工程量计算规范》GB 50854—2013的规定,关于现浇混凝土板的工程量计算正确的是()。
A.栏板按设计图示尺寸以面积计算
B.雨篷按设计外墙中心线外图示体积计算
C.阳台板按设计外墙中心线外图示面积计算
D.散水按设计图示尺寸以面积计算
参考答案:D
解析:
①栏板,按设计图示尺寸以体积计算。不扣除构件内钢筋、预埋铁件及单个面积≤03m2的柱、垛以及孔洞所占体积;压型钢板混凝土楼板扣除构件内压型钢板所占体积。②雨篷、阳台板,按设计图示尺寸以墙外部分体积计算。包括伸出墙外的牛腿和雨篷反挑檐的体积。③散水,按设计图示尺寸以面积计算。不扣除单个面积≤03m2的孔洞所占面积。不扣除构件内钢筋、预埋铁件所占体积。
第648题
有一双面坡屋顶建筑(如图),外墙为一砖厚,屋顶四面挑檐均为600mm;屋面为水泥平瓦,则该建筑所需平瓦数量约为()块。
A.264
B.3963
C.4175
D.4298
参考答案:C
解析:
该屋顶坡为36.4%,大于10%。
故为坡屋顶,按规定坡屋顶平瓦屋面工程量按斜面积计。
计算方法有二:
(1)按图示尺寸分别求出,屋面梯形和三角形的高。
利用直角三角形勾股弦定理可得,梯形的高为:(5.5+0.12+0.6)2+22=38.69+4
=6.53(m)则两个梯形坡斜面积为:
[(19.8+0.24+1.2)+(19.8-2×4.8)]×6.53
=[21.24+10.2]×6.53
=205.30(m2)
三角形的高为:(4.8+0.12+0.6)2+22=30.47+4
=5.87(m)
则两个三角形坡斜面积为:2×12×(11.0+0.24+1.2)×5.87=73.02(m2)
∴四面坡斜面积为:205.30+73.02=278.32(m2)
(2)按延尺系数计算:
本题B=2.0m,A=11.0+(0.12+0.6)×22
=6.22(m)
∴B/A=2/6.22=0.3215
按插入法求延尺系数C(查屋面坡度系数表)
0.05/0.0215=155/x
∴x=66.65,∴C=1.044+0.0067=1.0507
屋顶斜面积为屋顶水平投影面积乘延尺系数
∴得(19.8+1.44)×(11+1.44)×1.0507=21.24×12.44×1.0507=278(m2)
有了屋面斜面积求瓦数只需了解平瓦每平方米约需15块。
∴本题约需水泥平瓦为4175块。
第649题
某建筑物一层平面图和屋顶平面图如图所示,屋面采用卷材防水,女儿墙部分的弯起高度为250mm,根据《房屋建筑与装饰工程工程量计算规范》GB 50854—2013,屋面卷材防水工程量应为()m2。
A.261.69
B.270.75
C.271.26
D.280.45
参考答案:C
解析:
屋面卷材防水、屋面涂膜防水按设计图示尺寸以面积计算。斜屋顶(不包括平屋顶找坡)按斜面积计算;平屋顶按水平投影面积计算。不扣除房上烟囱、风帽底座、风道、屋面小气窗和斜沟所占面积。屋面的女儿墙、伸缩缝和天窗等处的弯起部分,并入屋面工程量内。
正确的计算方法是:
屋面卷材防水工程量为:
S=(28+0.5-0.24×2)×(9+0.5-0.24×2)+[(28+0.5-0.24×2)+(9+0.5-0.24×2)]×2×0.25=271.26(m2)
第650题 下列()楼地面的“找平层”单独列项计算工程量。
A.水泥砂浆楼地面
B.石材楼地面
C.橡塑面层
D.块料楼梯面层
参考答案:C
解析:
整体面层包括水泥砂浆楼地面、现浇水磨石楼地面、细石混凝土楼地面、菱苦土楼地面、自流坪楼地面。块料面层包括石材楼地面、碎石材楼地面、块料楼地面。橡塑面层包括橡胶板楼地面、橡胶卷材楼地面、塑料板楼地面、塑料卷材楼地面。楼梯面层包括石材楼梯面层、块料楼梯面层、拼碎块料面层、水泥砂浆楼梯面、现浇水磨石楼梯面、地毯楼梯面、木板楼梯面、橡胶板楼梯面层、塑料板楼梯面层。橡塑面层项目中的找平层,另按“找平层”项目编码列项。这一点与整体面层和块料面层不同,即橡塑面层工作内容中不含找平层,不计入综合单价,需要另外计算。楼梯面层与整体楼地面一样,找平层计入综合单价,不需要另行计算。
A.45.82
B.45.49
C.44.72
D.44.62
参考答案:A
解析:
水泥砂浆地面工程量按主墙间净面积以“m2”计,门洞开口部分不增加。
(9.6-0.24)×(5.4-0.24)=48.30(m2)
间壁墙所占面积属不扣范围,所以120mm厚的内墙0.33m2属迷惑条件。当然该墙上开的门洞占面积0.29m2亦属迷惑数。
240mm厚的内墙所占面积2.48m2应扣除。
48.30-2.48=45.82(m2)
外墙门洞开口处的面积不增加,所以0.48m2不加。
最后本题答案是45.82m2,选A。
第652题
有一带套间的业务用房(如图),地面采用桃木地板,则该套房的地面工程量为()m2。
A.53.91
B.53.46
C.53.27
D.53.07
参考答案:B
解析:
木地面工程量以图示尺寸面积计。不扣除间壁墙及0.3m2以内的柱、垛、附墙烟囱及孔洞所占面积,门洞开口部分并入相应工程量内。
(1)该房间净面积为(9.6-0.24)×(6.0-0.24)=53.91(m2)。
(2)中间120厚墙系间壁墙所占面积不扣除。
(3)每个柱Z1在室内所占面积为0.7×(0.7-0.24)=0.322(m2)>0.3m2,应扣除室内2个Z1柱,应扣除0.644m2。
(4)M1门洞开口部分应并入室内地面工程量,应加0.8×0.24=0.192(m2)
∴该套房木地面工程量为53.91-0.644+0.192=53.46(m2)
第653题 有一490mm×490mm,高3.6m的独立砖柱,镶贴人造石板材(厚25mm)。结合层为1∶3水泥砂浆,厚15mm,则镶贴块料工程量为()m2。
A.7.05
B.7.99
C.8.21
D.7.63
参考答案:C
解析:
独立柱面镶贴块料装饰工程按柱外围饰面尺寸乘以柱高以“m2”计。
据此柱外围饰面边应为490+2×25+2×15=570(mm)。
所以饰面外围尺寸为4×570=2280(mm)。
该柱饰面工程量为2.280×3.6=8.21(m2)。
如只按砖柱外围周长计则得7.05m2。
如忽略将结合层没乘以2则得7.99m2。
第654题 如上题图所示,计算此柱的抹灰工程量为()m2。
A.14.64
B.15.28
C.6.64
D.20.71
参考答案:D
解析:
本题考核的内容:柱(梁)饰面按设计图示饰面外围尺寸以相应面积计算,柱帽、柱墩并入相应柱饰面工程量内;注意应与混凝土柱的工程量计算规则相区分,无梁板的柱高,应自柱基上表面至柱帽下表面之间的高度计算。
首层柱:S=(3.6+0.4-0.15-0.4)×0.4×4=5.52(m2)
二、三层柱:S=(3.6-0.15-0.4)×0.4×4×2=9.76(m2)
柱帽:(0.4+1.2)×0.4×2×12×4×3=5.43(m2)
合计:20.71m2
第655题 根据《房屋建筑与装饰工程工程量计算规范》GB 50854—2013,下列关于幕墙说法正确的是()。
A.带肋全玻幕墙其工程量按外围面积计算
B.带肋全玻幕墙其工程量按投影面积计算
C.带肋全玻幕墙其工程量按展开面积计算
D.设在玻幕墙、隔墙上的同样材质的门窗要扣除
参考答案:C
解析:
根据《房屋建筑与装饰工程工程量计算规范》GB 50854—2013,带肋全玻幕墙的计算规则是按展开面积计算,单位:m2。
第656题 下列有关天棚工程的工程量计算规则,叙述正确的是()。
A.锯齿形吊顶应在工程量计算时展开计算
B.吊顶龙骨安装应在综合单价中考虑,不另列项计算工程量
C.灯带(槽),按设计图示尺寸以长度“m”计算
D.送风口、回风口按设计图示尺寸以面积“m2”计算
参考答案:B
解析:
吊顶的形式应如平面、跌级、锯齿形、吊挂式、藻井式等应在项目特征中描述。吊顶龙骨安装应在综合单价中考虑,不另列项计算工程量。灯带(槽),按设计图示尺寸以框外围面积“m2”计算。送风口、回风口无论所占面积大小均按数量计算。
第657题 根据《房屋建筑与装饰工程工程量计算规范》GB 50854—2013的有关规定,天棚吊顶工程量清单计算中,下面说法正确的是()。
A.按图示尺寸以水平投影面积计算
B.吊挂式天棚面积展开计算
C.扣除间壁墙、检查口、柱垛所占面积
D.不扣除与天棚相连的窗帘盒所占的面积
参考答案:A
解析:
天棚吊顶按设计图示尺寸以水平投影面积计算。天棚面中的灯槽及跌级、锯齿形、吊挂式、藻井式天棚面积不展开计算。不扣除间壁墙、检查口、柱垛所占面积,扣除单个0.3m2以外的孔洞、独立柱及与天棚相连的窗帘盒子所占的面积。
第658题 根据《房屋建筑与装饰工程工程量计算规范》GB 50854—2013,下列关于油漆、涂料、裱糊工程的叙述错误的是()。
A.筒子板油漆按设计图示尺寸以面积计算
B.木间壁油漆按设计图示尺寸以单面外围面积计算
C.衣柜油漆按设计图示尺寸以油漆部分展开面积计算
D.木地板油漆按设计图示尺寸以面积计算。空洞、空圈的开口部分不计算
参考答案:D
解析:
根据《房屋建筑与装饰工程工程量计算规范》GB 50854—2013,油漆、涂料、裱糊工程中,关于木材面油漆的工程量:①木护墙、木墙裙油漆,窗台板、筒子板、盖板、门窗套、踢脚线油漆,清水板条天棚、檐口油漆,木方格吊顶天棚油漆,吸声板墙面、天棚面油漆,暖气罩油漆。按设计图示尺寸以面积计算。②木间壁、木隔断油漆,玻璃间壁露明墙筋油漆,木栅栏、木栏杆(带扶手)油漆。按设计图示尺寸以单面外围面积计算。③衣柜、壁柜油漆,梁柱饰面油漆,零星木装饰油漆。按设计图示尺寸以油漆部分展开面积计算。④木地板油漆、木地板烫硬蜡面。按设计图示尺寸以面积计算。空洞、空圈、暖气包槽、壁龛的开口部分并入相应的工程量内。
第659题 根据《房屋建筑与装饰工程工程量计算规范》GB 50854—2013,下列分部分项工程项目中,以个数计算工程量的有 ( )。
A.暖气罩
B.洗漱台
C.竖式标箱、灯箱
D.装饰线
参考答案:D
解析:
根据《房屋建筑与装饰工程工程量计算规范》GB 50854—2013,暖气罩的计算规则是按设计图示尺寸以垂直投影面积(不展开)计算,单位:m2。洗漱台的计算规则是按设计图示尺寸以台面外接矩形面积计算,单位:m2。不扣除孔洞、挖弯、削角所占面积,挡板、吊沿板面积并入台面面积内。竖式标箱、灯箱的计算规则是按设计图示数量计算,单位:个。装饰线的计算规则是按设计图示尺寸以长度计算,单位:m。
第660题 下列拆除工程中,既可以按拆除部位的面积计算,又可以按拆除部位的延长米计算的是()。
A.砖砌体
B.抹灰面拆除
C.龙骨及饰面
D.铲除油漆涂料裱糊面
参考答案:D
解析:
砖砌体拆除以“m3”计量,按拆除的体积计算;以“m”计量,按拆除的延长米计算。抹灰面拆除包括平面抹灰层拆除、立面抹灰层拆除、天棚抹灰面拆除。平面抹灰层拆除、立面抹灰层拆除、天棚抹灰面拆除,按拆除部位的面积“m2”计算。龙骨及饰面拆除包括楼地面龙骨及饰面拆除、墙柱面龙骨及饰面拆除、天棚面龙骨及饰面拆除。楼地面龙骨及饰面拆除、墙柱面龙骨及饰面拆除、天棚面龙骨及饰面拆除,按拆除面积“m2”计算。铲除油漆涂料裱糊面包括铲除油漆面、铲除涂料面、铲除裱糊面。铲除油漆面、铲除涂料面、铲除裱糊面以“平方米”计量,按铲除部位的面积计算;以“m”计量,按按铲除部位的延长米计算。