“微信扫一扫”进入"可可试卷"微信小程序刷题
第781题
指出该图片中存在的安全问题?()
A.脚手架剪刀撑与立杆或横向水平杆的外伸端没有固定
B.脚手架上脚手板没有满铺
C.脚手架横向水平杆设置与主节点距离超标
D.脚手架上脚手板有探头板
参考答案:AC
第782题
指出该图片中存在的安全问题?()
A.脚手架剪刀撑与立杆或横向水平杆的外伸端没有固定
B.脚手架主节点横向水平杆设置不足
C.脚手架剪刀撑接长处,钢管伸出扣件长度不足
D.脚手架上脚手板有探头板
参考答案:ABC
第785题
指出该图片中存在的安全问题?()
A.脚手架剪刀撑与立杆或横向水平杆的外伸端没有固定
B.脚手架剪刀撑接长处,钢管伸出扣件长度不足
C.脚手架上纵向水平杆不连续设置
D.脚手架主节点横向水平杆设置不足
参考答案:ABD
第786题
下图是脚手架作业层的栏杆和挡脚板的搭设示意图,下面关于其设置描述正确的是:()
A.栏杆和挡脚板均应搭设在外立杆的内侧
B.上栏杆上皮高度应为1.2m
C.挡脚板高度不应小于180mm
D.中栏杆应居中设置
参考答案:ABCD
第787题
下图是脚手架剪刀撑的搭接示意图,下面关于其设置描述正确的是:()
A.采用搭接接长时,搭接长度不应小于1m
B.应采用不少于2个旋转扣件固定
C.端部扣件盖板的边缘至杆端距离不应小于100mm
D.旋转扣件中心线至主节点的距离不应大于150mm
参考答案:ABCD
第788题
下图是脚手架剪刀撑的搭设示意图,下面关于其设置描述正确的是:()
A.高度在24m及以上的双排脚手架应在外侧全立面连续设置剪刀撑
B.每道剪刀撑撑宽度不应小于4跨,且不应小于6m
C.斜杆与地面的倾角应在45°~60°之间
D.剪刀撑斜杆应用旋转扣件固定在与之相交的横向水平杆的伸出端或立上
参考答案:ABCD
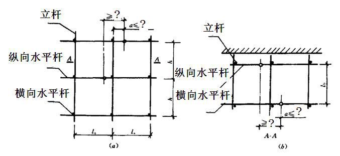
第789题
下图是脚手架纵向水平杆接长示意图,下面关于其设置描述正确的是:()
A.两根相邻纵向水平杆的接头不应设置在同步或同跨内
B.不同步或不同跨两个相邻接头在水平方向错开的距离不应小于500mm
C.各接头中心至最近主节点的距离不应大于纵距的1/2
D.各接头中心至最近主节点的距离不应大于纵距的1/3
参考答案:ABD
第790题
下图是脚手板对接接长示意图,下面关于其设置描述正确的是:()
A.接头处应设两根横向水平杆
B.两块脚手板外伸长度的和不应大于500mm
C.两块脚手板外伸长度的和不应大于300mm
D.脚手板外伸长度应取130mm~150mm
参考答案:ACD
第791题
下图是脚手板搭接接长示意图,下面关于其设置描述正确的是:()
A.脚手板搭接铺设时,接头应支在横向水平杆上
B.搭接长度不应小于200mm
C.搭接长度不应小于300mm
D.其伸出横向水平杆的长度不应小于100mm
参考答案:ABD
第792题
下图是脚手架立杆基础不在同一高度上时搭设示意图,下面关于其搭设描述正确的是:()
A.必须将高处的纵向扫地杆向低处延长三跨与立杆固定
B.必须将高处的纵向扫地杆向低处延长两跨与立杆固定
C.高低差不应大于1m
D.靠边坡上方的立杆轴线到边坡的距离不应小于500mm
参考答案:BCD
第793题
下图是脚手架两种斜道搭设示意图,下面关于其搭设描述正确的是:()
A.运料斜道宽度不应小于1.5m,坡度不应大于1:6
B.人行斜道宽度不应小于1m,坡度不应大于1:3
C.拐弯处应设置平台,其宽度不应小于斜道宽度
D.斜道两侧及平台外围均应设置栏杆及挡脚板
参考答案:ABCD
第794题
下图是悬挑脚手架的悬挑钢梁搭设示意图,下面关于悬挑钢梁描述正确的是:()
A.型钢悬挑梁宜采用双轴对称截面的型钢
B.悬挑钢梁型号及锚固件应按设计确定,钢梁截面高度不应小于160mm
C.悬挑梁尾端应在两处及以上固定于钢筋混凝土梁板结构上
D.锚固型钢悬挑梁的U型钢筋拉环或锚固螺栓直径不宜小于16㎜
参考答案:ABCD